Skip to content
Login for the best B2B Wholesale Experience.
Login for the best B2B Wholesale Experience.

MIX45-06-05-W by Kurt Hydraulics | Jump Size | Male SAE Inverted Flare | 45 Degree Bent Tube | Swivel | for 3/8" Hose ID

Save $1.66 Save $1.66
Original price $14.90
Original price $14.90 - Original price $14.90
Original price $14.90
Current price $13.24
$13.24 - $13.24
Current price $13.24
by Kurt Hydraulics
MIX45-W - 45 deg. SAE Male Inverted Flare 45 deg. Bent Tube Swivel
Kurt Fittings and Hose should only be used together.
Specifications for Variant SKU: MIX45-06-05-W Kurt
Shape (Orientation): 45 Degree
Ends Configuration: 3/8in Hose Barb, 5/16in Male Inverted Flare
Special Properties: Swivel, Jump Size
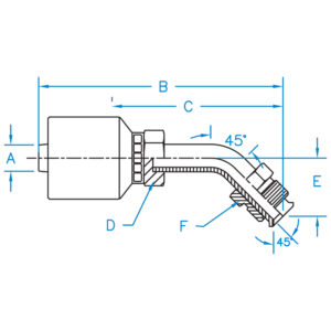
Part Number A B C D E F Hose ID
(In)
Thread
MIX45-06-05-W 0.375 3.146 1.776 11/16 0.882 1/2 3/8" 1/2-20
MIX45-06-06-W 0.375 3.771 2.401 3/8 0.940 5/8 3/8" 5/8-18
MIX45-08-08-W 0.500 4.116 2.776 7/8 1.060 3/4 1/2" 3/4-18


Kurt Hydraulics

Kurt Hydraulics

Kurt Hydraulics has been a U.S. manufacturer of hydraulic couplings and
systems for over 35 years. We offer a full line of hydraulic couplings and a complete line of high quality hydraulic hose tested beyond SAE specifications. Kurt Hydraulics’ hose and couplings are sold through a comprehensive network of distributors in North America.

Shop Parts by Kurt Hydraulics