Skip to content
Login for the best B2B Wholesale Experience.
Login for the best B2B Wholesale Experience.

C62-20-24-W by Kurt Hydraulics | Jump Size | Code 62 Flange | for 1-1/4" Hose ID

Save $8.91 Save $8.91
Original price $80.18
Original price $80.18 - Original price $80.18
Original price $80.18
Current price $71.27
$71.27 - $71.27
Current price $71.27

by Kurt Hydraulics
C62-W - Code 62 Flange Rigid

Kurt Fittings and Hose should only be used together.
Specifications for Variant SKU: C62-20-24-W Kurt
Series: C62 Series
Shape (Orientation): Straight
Ends Configuration: 1-1/4in Hose Barb, 1-1/2in Code 61 Flange
Special Properties: Jump Size
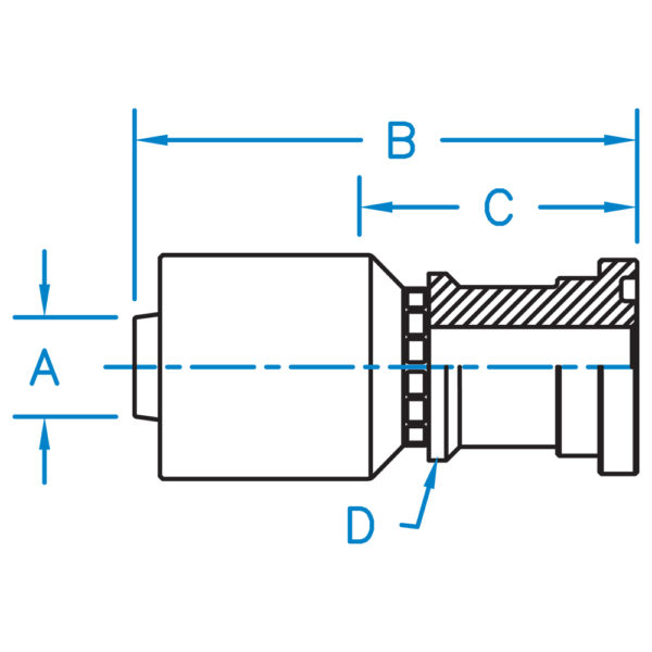
Part Number A B C D Hose ID
(In)
Thread
C62-12-08-W 0.750 3.790 2.000 1-1/4 3/4" N/A
C62-12-12-W 0.750 3.560 1.770 1-5/8 3/4" N/A
C62-12-16-W 0.750 4.150 2.360 1-7/8 3/4" N/A
C62-16-16-W 1.000 4.530 2.420 1-7/8 1.000" N/A
C62-16-20-W 1.000 4.810 2.700 2-1/8 1.000" N/A
C62-20-20-W 1.250 5.210 2.810 2-1/8 1-1/4" N/A
C62-20-24-W 1.250 5.440 2.990 2-1/2 1-1/4" N/A
C62-24-24-W 1.550 5.590 2.990 2-7/8 1-1/2" N/A
C62-32-32-W 2.000 6.580 3.330 3-1/2 2.000" N/A

Kurt Hydraulics

Kurt Hydraulics

Kurt Hydraulics has been a U.S. manufacturer of hydraulic couplings and
systems for over 35 years. We offer a full line of hydraulic couplings and a complete line of high quality hydraulic hose tested beyond SAE specifications. Kurt Hydraulics’ hose and couplings are sold through a comprehensive network of distributors in North America.

Shop Parts by Kurt Hydraulics