Skip to content
Login for the best B2B Wholesale Experience.
Login for the best B2B Wholesale Experience.

C6290-12-16-WHP by Kurt Hydraulics | Jump Size | Ultra High Pressure Non Skive | Code 62 Flange | 90° Elbow | for 3/4" Hose ID

Save $5.86 Save $5.86
Original price $52.74
Original price $52.74 - Original price $52.74
Original price $52.74
Current price $46.88
$46.88 - $46.88
Current price $46.88

by Kurt Hydraulics
C6290-WHP - Code 62 Flange 90 Degree Bent Tube Rigid - Ultra High Pressure Non Skive

Kurt Fittings and Hose should only be used together.
Specifications for Variant SKU: C6290-12-16-WHP Kurt
Series: C6290 Series
Shape (Orientation): 90 Degree
Ends Configuration: 3/4in Hose Barb, 1in Code 62 Flange
Special Properties: Jump Size
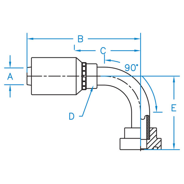
Part Number A B C D E Hose ID
(In)
Thread
C6290-12-12-WHP 0.750 5.390 2.960 1-3/16R 2.510 3/4" N/A
C6290-12-16-WHP 0.750 5.390 2.960 1-3/16R 2.550 3/4" N/A
C6290-16-16-WHP 1.000 2.329 2.799 1-7/16R 2.500 1.000" N/A
C6290-16-20-WHP 1.000 5.329 2.799 1-7/16R 2.69 1.000" N/A

Kurt Hydraulics

Kurt Hydraulics

Kurt Hydraulics has been a U.S. manufacturer of hydraulic couplings and
systems for over 35 years. We offer a full line of hydraulic couplings and a complete line of high quality hydraulic hose tested beyond SAE specifications. Kurt Hydraulics’ hose and couplings are sold through a comprehensive network of distributors in North America.

Shop Parts by Kurt Hydraulics