Skip to content
Login for the best B2B Wholesale Experience.
Login for the best B2B Wholesale Experience.

CAT90-16-20-W by Kurt Hydraulics | Jump Size | CAT Flange | 90° Elbow | for 1" Hose ID

Save $7.46 Save $7.46
Original price $67.10
Original price $67.10 - Original price $67.10
Original price $67.10
Current price $59.64
$59.64 - $59.64
Current price $59.64

by Kurt Hydraulics
CAT90-W - Cat Flange 90 deg. Bent Tube Rigid

Kurt Fittings and Hose should only be used together.
Specifications for Variant SKU: CAT90-16-20-W Kurt
Series: CAT90 Series
Shape (Orientation): 90 Degree
Ends Configuration: 1in Hose Barb, 1-1/4in CAT Flange
Special Properties: Jump Size
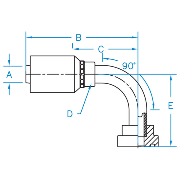
Part Number A B C D E Hose ID
(In)
Thread
CAT90-12-12-W 0.750 4.820 3.030 1.0R 2.500 3/4" N/A
CAT90-12-16-W 0.750 4.820 3.030 1.0R 2.620 3/4" N/A
CAT90-16-16-W 1.000 5.220 3.110 1-5/16R 2.620 1.000" N/A
CAT90-16-20-W 1.000 5.220 3.110 1-5/16R 2.810 1.000" N/A
CAT90-20-20-W 1.250 5.10 2.56 1-5/8R 3.020 1-1/4" N/A
CAT90-20-24-W 1.250 6.230 3.780 1-5/8R 3.330 1-1/4" N/A
CAT90-24-24-W 1.500 6.740 4.140 2.0R 3.850 1-1/2" N/A
CAT90-32-32-W 2.000 N/A N/A N/A N/A 2.000" N/A

Kurt Hydraulics

Kurt Hydraulics

Kurt Hydraulics has been a U.S. manufacturer of hydraulic couplings and
systems for over 35 years. We offer a full line of hydraulic couplings and a complete line of high quality hydraulic hose tested beyond SAE specifications. Kurt Hydraulics’ hose and couplings are sold through a comprehensive network of distributors in North America.

Shop Parts by Kurt Hydraulics