Skip to content
Login for the best B2B Wholesale Experience.
Login for the best B2B Wholesale Experience.

F-BSPX-20-20 by Kurt Hydraulics | Female British Standard Pipe 60 Degree Cone | Swivel | for 1-1/4" Hose ID

Save $4.97 Save $4.97
Original price $44.72
Original price $44.72 - Original price $44.72
Original price $44.72
Current price $39.75
$39.75 - $39.75
Current price $39.75
by Kurt Hydraulics
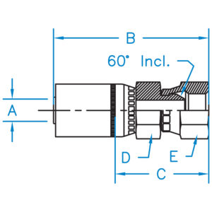
F-BSPX - British Standard Pipe 60 deg. Cone Female Swivel
Kurt Fittings and Hose should only be used together.
Specifications for Variant SKU: F-BSPX-20-20 Kurt
Shape (Orientation): Straight
Ends Configuration: 1-1/4in Hose Barb, 1-1/4in Female BSPT
Special Properties: Swivel
Part Number A B C D E Hose ID
(In)
Thread
F-BSPX-03-04 N/A N/A N/A N/A N/A N/A N/A
F-BSPX-04-02 N/A N/A N/A N/A N/A N/A N/A
F-BSPX-04-04 0.250 2.350 1.095 9/16 3/4 1/4" 1/4-19
F-BSPX-04-06 0.250 2.534 1.279 11/16 7/8 1/4" 3/8-19
F-BSPX-06-04 0.375 N/A N/A N/A 3/4 3/8" 1/4-19
F-BSPX-06-06 0.375 2.795 1.295 11/16 7/8 3/8" 3/8-19
F-BSPX-06-08 0.375 2.916 1.416 7/8 1.000 3/8" 1/2-14
F-BSPX-08-06 0.500 2.904 1.404 7/8 7/8 1/2" 3/8-19
F-BSPX-08-08 0.500 2.994 1.494 1.000 1.000 1/2" 1/2-14
F-BSPX-08-10 0.500 N/A N/A N/A 1-1/8 1/2" 5/8-14
F-BSPX-10-10 0.625 3.223 1.723 1-1/8 1-1/8 5/8" 5/8-14
F-BSPX-10-12 0.625 3.329 1.829 1-1/16 1-1/4 5/8" 3/4-14
F-BSPX-12-12 0.750 3.392 1.704 1-1/8 1-1/4 3/4" 3/4-14
F-BSPX-12-16 0.750 N/A N/A N/A 1-1/2 3/4" 3/4-14
F-BSPX-16-16 1.000 3.514 1.780 1-3/8 1-1/2 1.000" 1-11
F-BSPX-20-20 1.250 4.018 2.018 1-3/4 2.000 1.250" 1-1/4-11


Kurt Hydraulics

Kurt Hydraulics

Kurt Hydraulics has been a U.S. manufacturer of hydraulic couplings and
systems for over 35 years. We offer a full line of hydraulic couplings and a complete line of high quality hydraulic hose tested beyond SAE specifications. Kurt Hydraulics’ hose and couplings are sold through a comprehensive network of distributors in North America.

Shop Parts by Kurt Hydraulics