Skip to content
Login for the best B2B Wholesale Experience.
Login for the best B2B Wholesale Experience.

F-JISX-12-12-WHP by Kurt Hydraulics | Ultra High Pressure Non Skive | Female JIS 30° | Swivel | for 3/4" Hose ID

Save $4.11 Save $4.11
Original price $36.96
Original price $36.96 - Original price $36.96
Original price $36.96
Current price $32.85
$32.85 - $32.85
Current price $32.85

by Kurt Hydraulics
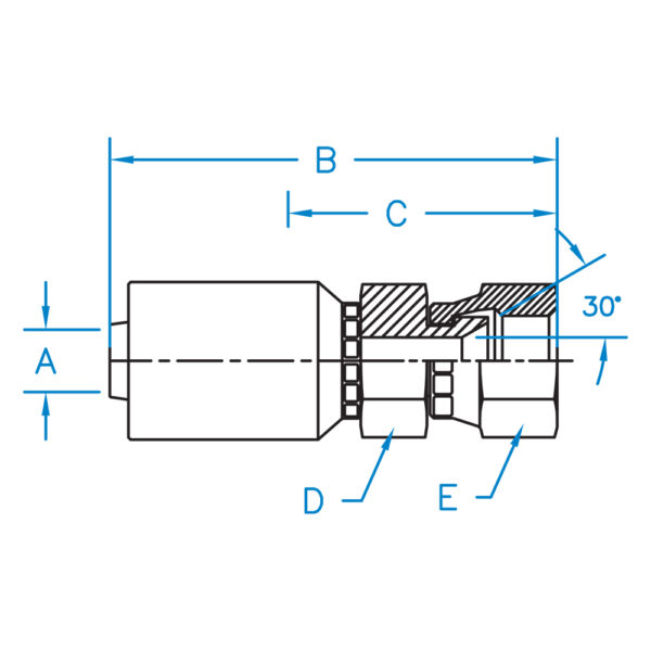
F-JISX-WHP - JIS 30 deg. Female Swivel - Ultra High Pressure Non Skive

Kurt Fittings and Hose should only be used together.
Specifications for Variant SKU: F-JISX-12-12-WHP Kurt
Series: F Series
Shape (Orientation): Straight
Special Properties: Swivel
Part Number A B C D E Hose ID
(In)
Thread
F-JISX-12-12-WHP 0.750 4.06 1.63 1-1/8 1-1/4 3/4" 3/4-14
F-JISX-16-16-WHP 1.000 4.251 1.721 1-3/8 1-1/2 1" 1-11

Kurt Hydraulics

Kurt Hydraulics

Kurt Hydraulics has been a U.S. manufacturer of hydraulic couplings and
systems for over 35 years. We offer a full line of hydraulic couplings and a complete line of high quality hydraulic hose tested beyond SAE specifications. Kurt Hydraulics’ hose and couplings are sold through a comprehensive network of distributors in North America.

Shop Parts by Kurt Hydraulics