Skip to content
Login for the best B2B Wholesale Experience.
Login for the best B2B Wholesale Experience.

FFX90-12-12-WHP by Kurt Hydraulics | Ultra High Pressure Non Skive | 90° Elbow | Female O-Ring Face Seal | Swivel | for 3/4" Hose ID

Save $4.75 Save $4.75
Original price $42.78
Original price $42.78 - Original price $42.78
Original price $42.78
Current price $38.03
$38.03 - $38.03
Current price $38.03

by Kurt Hydraulics
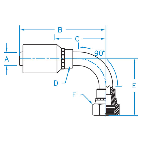
FFX90-WHP - O-Ring Face Seal 90 deg. Bent Tube Female Swivel - Ultra High Pressure Non Skive

Kurt Fittings and Hose should only be used together.
Specifications for Variant SKU: FFX90-12-12-WHP Kurt
Series: FFX90 Series
Shape (Orientation): 90 Degree
Ends Configuration: 3/4in Hose Barb, 3/4in Female O-Ring Face Seal
Special Properties: Swivel
Part Number A B C D E F Hose ID
(In)
Thread
FFX90-12-12-WHP 0.750 5.020 2.590 1-3/16R 1.881 1-3/8 3/4" 1-3/16-12
FFX90-16-16-WHP 1.000 5.579 3.049 1-7/16R 2.210 1-5/8 1.000" 1-7/16-12

Kurt Hydraulics

Kurt Hydraulics

Kurt Hydraulics has been a U.S. manufacturer of hydraulic couplings and
systems for over 35 years. We offer a full line of hydraulic couplings and a complete line of high quality hydraulic hose tested beyond SAE specifications. Kurt Hydraulics’ hose and couplings are sold through a comprehensive network of distributors in North America.

Shop Parts by Kurt Hydraulics