Skip to content
Login for the best B2B Wholesale Experience.
Login for the best B2B Wholesale Experience.

FFX90L-16-16-W by Kurt Hydraulics | Female O-Ring Face Seal | 90 Degree Bent Tube | Swivel | for 1" Hose ID

Save $5.68 Save $5.68
Original price $51.09
Original price $51.09 - Original price $51.09
Original price $51.09
Current price $45.41
$45.41 - $45.41
Current price $45.41
by Kurt Hydraulics
FFX90-W - O-Ring Face Seal 90 deg. Bent Tube Female Swivel
Kurt Fittings and Hose should only be used together.
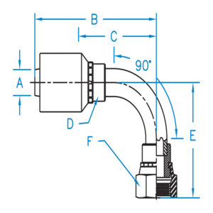
Specifications for Variant SKU: FFX90L-16-16-W Kurt
Shape (Orientation): 90 Degree
Ends Configuration: 1in Hose Barb, 1in Female O-Ring Face Seal
Special Properties: Swivel
Part Number A B C D E F Hose ID
(In)
Thread
FFX90-06-06-W 0.375 2.400 1.170 13/16 0.900 13/16 3/8" 11/16-16
FFX90L-06-06-W 0.375 2.770 1.540 13/16 0.900 13/16 3/8" 11/16-16
FFX90-06-08-W 0.375 3.026 1.656 15/16 1.142 15/16 3/8" 13/16-16
FFX90-08-08-W 0.500 2.680 1.350 15/16 1.150 15/16 1/2" 13/16-16
FFX90L-08-08-W 0.500 2.680 2.146 15/16 1.142 15/16 1/2" 13/16-16
FFX90-08-10-W 0.500 2.770 1.430 1-1/8 1.260 1-1/8 1/2" 1-14
FFX90-08-12-W 0.500 3.870 2.555 1-3/8 1.881 1-3/8 1/2" 1-3/16-12
FFX90-10-08-W 0.625 3.876 1.776 15/16 1.142 15/16 5/8" 13/16-16
FFX90-10-10-W 0.625 4.28 2.18 1-1/8 1.260 1-1/8 5/8" 1-14
FFX90-10-12-W 0.625 4.703 2.603 1-3/8 1.881 1-3/8 5/8" 1-3/16-12
FFX90-12-10-W 0.750 N/A N/A N/A N/A 1-1/8 3/4" 1-14
FFX90-12-12-W 0.750 4.820 2.568 1-3/8 1.881 1-3/8 3/4" 1-3/16-12
FFX90L-12-12-W 0.750 4.359 2.570 1-3/8 3.780 1-3/8 3/4" 1-3/16-12
FFX90-12-16-W 0.750 4.820 2.570 1-5/8 2.210 1-5/8 3/4" 1-7/16-12
FFX90-16-16-W 1.000 5.220 2.940 1-5/8 2.210 1-5/8 1.000" 1-7/16-12
FFX90L-16-16-W 1.000 5.075 2.962 1-5/8 4.490 1-5/8 1.000" 1-7/16-12
FFX90-16-20-W 1.000 5.220 3.110 2.000 3.020 1-7/8 1.000" 1-11/16-12
FFX90-20-20-W 1.250 6.230 3.712 2.000 2.510 1-7/8 1-1/4" 1-11/16-12
FFX90L-20-20-W 1.250 6.437 3.986 2.000 4.539 1-7/8 1-1/4" 1-11/16-12
FFX90-20-24-W 1.250 6.230 3.780 2-1/4 3.360 2-1/4 1-1/4" 2-12
FFX90-24-24-W 1.500 6.740 4.120 2-1/4 2.780 2-1/4 1-1/2" 2-12


Kurt Hydraulics

Kurt Hydraulics

Kurt Hydraulics has been a U.S. manufacturer of hydraulic couplings and
systems for over 35 years. We offer a full line of hydraulic couplings and a complete line of high quality hydraulic hose tested beyond SAE specifications. Kurt Hydraulics’ hose and couplings are sold through a comprehensive network of distributors in North America.

Shop Parts by Kurt Hydraulics