Skip to content
Login for the best B2B Wholesale Experience.
Login for the best B2B Wholesale Experience.

FJX-04-05-K2 by Kurt Hydraulics | K2 Style Hydraulic Fitting | 1/4" Hose Barb x 5/16" Female 37° JIC Swivel | Carbon Steel

Save $0.48 Save $0.48
Original price $4.35
Original price $4.35 - Original price $4.35
Original price $4.35
Current price $3.87
$3.87 - $3.87
Current price $3.87

Kurt Hydraulics
37° JIC Female Swivel

Specifications for Variant SKU: FJX-04-05-K2 Kurt
Series: K2 Series
Shape (Orientation): Straight
Ends Configuration: 1/4in Hose Barb, 5/16in Female JIC
Material(s): Carbon Steel
Special Properties: Swivel
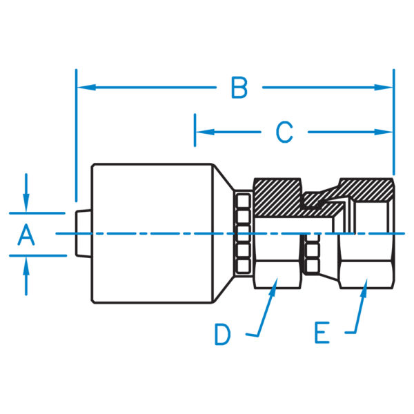
Part Number Hose I.D. (in.) B C D E Thread
FJX-04-03-K2 1/4" 2.01" 0.95" 9/16" 9/16" 3/8" – 24
FJX-04-04-K2 1/4" 2.08" 1.02" 9/16" 9/16" 7/16" – 20
FJX-04-05-K2 1/4" 2.22" 1.16" 9/16" 5/8" 1/2" – 20
FJX-04-06-K2 1/4" 2.17" 1.09" 9/16" 11/16" 9/16" – 18
FJX-04-08-K2 1/4" 2.35" 1.29" 11/16" 7/8" 3/4" – 16
FJX-06-04-K2 3/8" 2.41" 1.04" 11/16" 9/16" 7/16" – 20
FJX-06-05-K2 3/8" 2.41" 1.04" 11/16" 5/8" 1/2" – 20
FJX-06-06-K2 3/8" 2.50" 0.72" 3/4" 3/4" 9/16" – 18
FJX-06-08-K2 3/8" 2.47" 1.24" 3/4" 7/8" 3/4" – 16
FJX-06-10-K2 3/8" 2.80" 1.43" 7/8" 1" 7/8" – 14
FJX-08-06-K2 1/2" 2.52" 1.18" 11/16" 11/16" 9/16" – 18
FJX-08-08-K2 1/2" 2.64" 1.30" 7/8" 7/8" 3/4" – 16
FJX-08-10-K2 1/2" 2.80" 1.46" 7/8" 1" 7/8" – 14
FJX-08-12-K2 1/2" 2.90" 1.56" 1" 1-1/4" 1-1/16" – 12