Skip to content
Login for the best B2B Wholesale Experience.
Login for the best B2B Wholesale Experience.

FJX-22-24-R5 by Kurt Hydraulics | Jump Size | Female 37 Degree JIC | Swivel | for 1-3/8" Hose ID

Save $7.88 Save $7.88
Original price $70.92
Original price $70.92 - Original price $70.92
Original price $70.92
Current price $63.04
$63.04 - $63.04
Current price $63.04
by Kurt Hydraulics
FJX-R5 - 37 deg. JIC Female Swivel - R5 Couplings
Kurt Fittings and Hose should only be used together.
Specifications for Variant SKU: FJX-22-24-R5 Kurt
Shape (Orientation): Straight
Ends Configuration: 1-3/8in Hose Barb, 1-1/2in Female JIC
Special Properties: Swivel, Jump Size
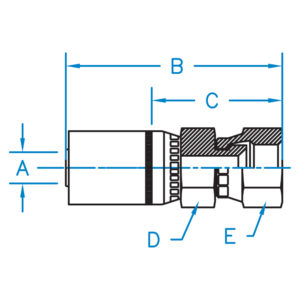
Part Number A B C D E Hose ID
(In)
Thread
FJX-03-04-R5 0.187 2.240 1.437 5/8 5/8 3/16" 7/16-20
FJX-03-05-R5 0.187 2.240 1.437 5/8 3/4 3/16" 1/2-20
For FJX-04-04-R5 Use: FJX-04-04
For FJX-04-05-R5 Use: FJX-04-05
For FJX-04-06-R5 Use: FJX-04-06
FJX-05-04-R5 0.312 2.555 1.245 5/8 9/16 5/16" 7/16-20
FJX-05-05-R5 N/A N/A N/A N/A N/A N/A N/A
FJX-05-06-R5 0.312 2.507 1.197 5/8 5/8 5/16" 9/16-18
FJX-07-06-R5 0.437 2.809 1.339 3/4 11/16 7/16" 9/16-18
FJX-07-08-R5 0.437 2.820 1.350 3/4 7/8 7/16" 3/4-16
For FJX-08-06-R5 Use: FJX-08-06
For FJX-08-08-R5 Use: FJX-08-08
For FJX-08-10-R5 Use: FJX-08-10
FJX-10-08-R5 0.625 3.240 1.500 7/8 15/16 5/8" 3/4-16
FJX-10-10-R5 0.625 3.350 1.500 7/8 1-1/16 5/8" 7/8-14
FJX-10-12-R5 0.625 3.450 1.625 1-1/8 1-1/4 5/8" 1-1/16 - 12
FJX-14-12-R5 0.875 3.289 1.694 1-3/8 1-1/4 7/8" 1-1/16 - 12
FJX-14-16-R5 0.875 2.351 1.756 1-3/8 1-1/2 7/8" 1-5/16 - 12
FJX-18-20-R5 1.125 2.728 1.993 1-11/16 2.000 1-1/8" 1-5/8 - 12
FJX-22-24-R5 1.375 4.070 2.100 2.000 2-1/4 1-3/8" 1-7/8 - 12
FJX-29-32-R5 1.813 5.06 2.56 2-1/2 2-7/8 1-3/16" 2-1/2 - 12

Kurt Hydraulics

Kurt Hydraulics

Kurt Hydraulics has been a U.S. manufacturer of hydraulic couplings and
systems for over 35 years. We offer a full line of hydraulic couplings and a complete line of high quality hydraulic hose tested beyond SAE specifications. Kurt Hydraulics’ hose and couplings are sold through a comprehensive network of distributors in North America.

Shop Parts by Kurt Hydraulics