Skip to content
Login for the best B2B Wholesale Experience.
Login for the best B2B Wholesale Experience.

FJX45-07-08-R5 by Kurt Hydraulics | Jump Size | Female 37 Degree JIC | 45 Degree Bent Tube | Swivel | for 7/16" Hose ID

Save $1.39 Save $1.39
Original price $12.50
Original price $12.50 - Original price $12.50
Original price $12.50
Current price $11.11
$11.11 - $11.11
Current price $11.11
by Kurt Hydraulics
FJX45-R5 - 37 deg. JIC Female 45 deg. Bent Tube Swivel - R5 Couplings
Kurt Fittings and Hose should only be used together.
Specifications for Variant SKU: FJX45-07-08-R5 Kurt
Shape (Orientation): 45 Degree
Ends Configuration: 7/16in Hose Barb, 1/2in Female JIC
Special Properties: Swivel, Jump Size
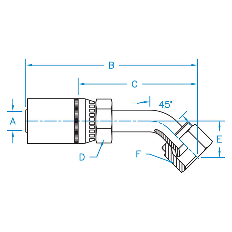
Part Number A B C D E F Hose ID
(In)
Thread
FJX45-03-04-R5 0.187 N/A N/A N/A N/A N/A 3/16" 7/16-20
For FJX45-04-04-R5 Use: FJX45-04-04
For FJX45-04-05-R5 Use: FJX45-04-05
For FJX45-04-06-R5 Use: FJX45-04-06
FJX45-05-04-R5 0.312 3.185 1.875 5/8 1.394 9/16 5/16" 7/16-20
FJX45-05-06-R5 0.312 3.294 1.684 5/8 0.433 11/16 5/16" 9/16-18
FJX45-07-06-R5 0.437 3.424 1.954 3/4 0.433 11/16 7/16" 9/16-18
FJX45-07-08-R5 0.437 3.786 2.316 7/8 0.590 7/8 7/16" 3/4-16
For FJX45-08-08-R5 Use: FJX45-08-08
For FJX45-08-10-R5 Use: FJX45-08-10
FJX45-10-10-R5 N/A N/A N/A N/A N/A N/A N/A N/A
FJX45-10-12-R5 N/A N/A N/A N/A N/A N/A N/A N/A
FJX45-14-16-R5 0.875 4.750 2.312 1-1/2 2.500 1-1/2 7/8" 1-5/16-12


Kurt Hydraulics

Kurt Hydraulics

Kurt Hydraulics has been a U.S. manufacturer of hydraulic couplings and
systems for over 35 years. We offer a full line of hydraulic couplings and a complete line of high quality hydraulic hose tested beyond SAE specifications. Kurt Hydraulics’ hose and couplings are sold through a comprehensive network of distributors in North America.

Shop Parts by Kurt Hydraulics