Skip to content
Login for the best B2B Wholesale Experience.
Login for the best B2B Wholesale Experience.

FJX90-08-10 by Kurt Hydraulics | Jump Size | Female JIC | 90° Elbow | Swivel | for 1/2" Hose ID

Save $1.55 Save $1.55
Original price $13.96
Original price $13.96 - Original price $13.96
Original price $13.96
Current price $12.41
$12.41 - $12.41
Current price $12.41

by Kurt Hydraulics
FJX90 - 37 deg. JIC Female 90 deg. Bent Tube Swivel

Kurt Fittings and Hose should only be used together.
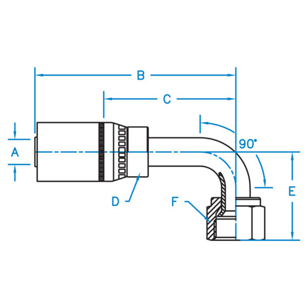
Specifications for Variant SKU: FJX90-08-10 Kurt
Series: FJX90 Series
Shape (Orientation): 90 Degree
Ends Configuration: 1/2in Hose Barb, 5/8in Female JIC
Special Properties: Swivel, Jump Size
Part Number A B C D E F Hose ID
(In)
Thread
FJX90-04-04 0.250 3.035 1.780 5/8 0.830 9/16 1/4" 7/16-20
FJX90-04-05 0.250 3.065 1.810 5/8 0.830 5/8 1/4" 1/2-20
FJX90-04-06 0.250 3.165 1.910 5/8 0.910 11/16 1/4" 9/16-18
FJX90-06-04 0.375 2.563 1.063 3/4 0.880 9/16 3/8" 7/16-20
FJX90-06-05 0.375 3.331 1.831 11/16 R 0.827 5/8 3/8" 1/2-20
FJX90-06-06 0.375 3.380 1.880 11/16 0.860 11/16 3/8" 9/16-18
FJX90-06-08 0.375 3.630 2.130 3/4 1.120 7/8 3/8" 3/4-16
FJX90-08-06 0.500 2.870 1.182 7/8 1.130 11/16 1/2" 9/16-18
FJX90-08-08 0.500 3.750 2.250 7/8 1.130 7/8 1/2" 3/4-16
FJX90-08-10 0.500 3.250 1.750 7/8 1.230 1.000 1/2" 7/8-14
FJX90-08-12 0.500 3.938 2.250 1-1/8 1.830 1-1/4 1/2" 1-1/16-12
FJX90-10-10 0.625 3.350 2.000 1-1/16 1.260 1.000 5/8" 7/8-14
FJX90-10-12 0.625 3.943 2.063 1-1/8 2.280 1-1/4 5/8" 1-1/16-12
FJX90-12-10 0.750 3.484 1.891 1-1/8 1.230 1.000 3/4" 7/8-14
FJX90-12-12 0.750 3.761 2.296 1-1/8 1.830 1-1/4 3/4" 1-1/16-12
FJX90-12-16 0.750 4.193 2.313 1-3/8 2.500 1-1/2 3/4" 1-5/16-12
FJX90-16-16 1.000 4.424 2.129 1-3/8 2.210 1-1/2 1.000" 1-5/16-12
FJX90-20-20 1.250 5.750 3.750 1-3/4 3.050 2.000 1-1/4" 1-5/8-12

Kurt Hydraulics

Kurt Hydraulics

Kurt Hydraulics has been a U.S. manufacturer of hydraulic couplings and
systems for over 35 years. We offer a full line of hydraulic couplings and a complete line of high quality hydraulic hose tested beyond SAE specifications. Kurt Hydraulics’ hose and couplings are sold through a comprehensive network of distributors in North America.

Shop Parts by Kurt Hydraulics