Skip to content
Login for the best B2B Wholesale Experience.
Login for the best B2B Wholesale Experience.

FJX45-06-04-K2 by Kurt Hydraulics | K2 Style Hydraulic Fitting | 3/8" Hose Barb x 1/4" Female 37° JIC Swivel | 45° Elbow | Carbon Steel

Save $1.26 Save $1.26
Original price $11.34
Original price $11.34 - Original price $11.34
Original price $11.34
Current price $10.08
$10.08 - $10.08
Current price $10.08

Kurt Hydraulics
37° JIC Female 45° Swivel

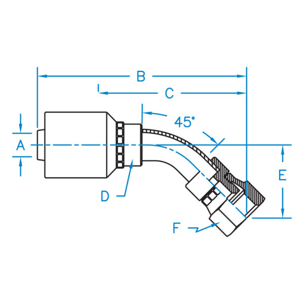
Specifications for Variant SKU: FJX45-06-04-K2 Kurt
Series: K2 Series
Shape (Orientation): 45 Degree
Ends Configuration: 3/8in Hose Barb, 1/4in Female JIC
Material(s): Carbon Steel
Special Properties: Swivel
Part Number Hose I.D. (in.) B C D E F Thread
FJX45-04-04-K2 1/4" 2.86" 1.80" 9/16" 0.39" 9/16" 7/16"-20
FJX45-04-05-K2 1/4" 2.89" 1.83" 5/8" 0.39" 5/8" 1/2"-20
FJX45-04-06-K2 1/4" 2.93" 1.87" 11/16" 0.43" 11/16" 9/16"-18
FJX45-06-04-K2 3/8" 3.19" 1.82" 11/16" 0.39" 9/16" 7/16"-20
FJX45-06-05-K2 3/8" 3.22" 1.85" 11/16" 0.39" 5/8" 1/2"-20
FJX45-06-06-K2 3/8" 3.26" 1.89" 11/16" 0.43" 11/16" 9/16"-18
FJX45-06-08-K2 3/8" 3.60" 2.23" 7/8" 0.59" 7/8" 3/4"-16
FJX45-08-06-K2 1/2" 3.28" 1.94" 3/4" 0.43" 11/16" 9/16"-18
FJX45-08-08-K2 1/2" 2.99" 2.31" 7/8" 0.59" 7/8" 3/4"-16
FJX45-08-10-K2 1/2" 3.30" 1.96" 1" 0.63" 1" 7/8"-14
FJX45-08-12-K2 1/2" 3.56" 2.22" 1" 0.83" 1-1/4" 1-1/16"-12