Skip to content
Login for the best B2B Wholesale Experience.
Login for the best B2B Wholesale Experience.

F-BSPX45-16-16 by Kurt Hydraulics | Female BSPP 60° Cone | 45° Elbow | Swivel | for 1" Hose ID

Save $4.14 Save $4.14
Original price $37.26
Original price $37.26 - Original price $37.26
Original price $37.26
Current price $33.12
$33.12 - $33.12
Current price $33.12

by Kurt Hydraulics
F-BSPX45 - British Standard Pipe 60 deg. Cone 45 deg. Bent Tube Female Swivel

Kurt Fittings and Hose should only be used together.
Specifications for Variant SKU: F-BSPX45-16-16 Kurt
Series: BSPX45 Series
Shape (Orientation): 45 Degree
Ends Configuration: 1in Hose Barb, 1in Female BSPP
Special Properties: Swivel
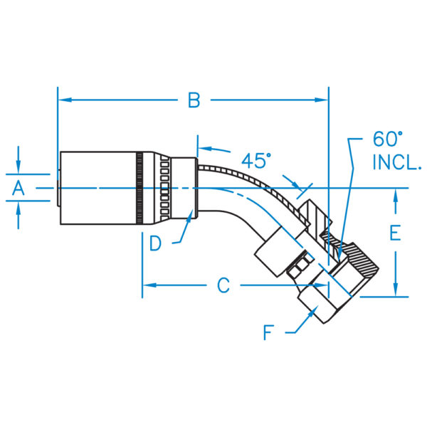
Part Number A B C D E F Hose ID
(In)
Thread
F-BSPX45-04-04 0.250 3.45 2.19 3/4 0.75 3/4 1/4" 1/4-19
F-BSPX45-04-06 0.250 3.165 2.105 5/8 0.750 3/4 1/4" 3/8-19
F-BSPX45-06-06 0.375 3.150 2.487 3/4 0.560 7/8 3/8" 3/8-19
F-BSPX45-06-08 0.375 N/A N/A N/A N/A N/A 3/8" 1/2-14
F-BSPX45-08-08 0.500 2.320 2.305 7/8 0.980 1.000 1/2" 1/2-14
F-BSPX45-10-10 0.625 4.223 2.343 1-1/8 1.370 1-1/8 5/8" 5/8-14
F-BSPX45-12-12 0.750 4.940 3.320 1-1/8 1.760 1-1/4 3/4" 3/4-14
F-BSPX45-16-16 1.000 5.03 3.29 1-3/8 1.33 1-1/2 1.000" 1-11

Kurt Hydraulics

Kurt Hydraulics

Kurt Hydraulics has been a U.S. manufacturer of hydraulic couplings and
systems for over 35 years. We offer a full line of hydraulic couplings and a complete line of high quality hydraulic hose tested beyond SAE specifications. Kurt Hydraulics’ hose and couplings are sold through a comprehensive network of distributors in North America.

Shop Parts by Kurt Hydraulics