Skip to content
Login for the best B2B Wholesale Experience.
Login for the best B2B Wholesale Experience.

MP-16-16-API by Kurt Hydraulics | Male Pipe NPTF | Rigid | for 1" Hose ID

Save $1.59 Save $1.59
Original price $14.31
Original price $14.31 - Original price $14.31
Original price $14.31
Current price $12.72
$12.72 - $12.72
Current price $12.72

by Kurt Hydraulics
MP - Male Pipe NPTF Rigid.

Kurt Fittings and Hose should only be used together.
Specifications for Variant SKU: MP-16-16-API Kurt
Shape (Orientation): Straight
Ends Configuration: 1in Hose Barb, 1in Male NPTF
Special Properties: Rigid
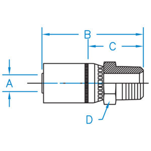
Part Number A B C D Hose ID
(In)
Thread
MP-02-02 0.125 1.301 0.743 1/2 1/8" 1/8-27
MP-04-02 0.250 2.134 0.880 9/16 1/4" 1/8-27
MP-04-04 0.250 2.315 1.060 9/16 1/4" 1/4-18
MP-04-06 0.250 2.405 1.150 11/16 1/4" 3/8-18
MP-04-08 0.250 2.656 1.401 7/8 1/4" 1/2-14
MP-06-04 0.375 2.670 1.170 11/16 3/8" 1/4-18
MP-06-06 0.375 2.665 1.170 11/16 3/8" 3/8-18
MP-06-08 0.375 2.917 1.422 7/8 3/8" 1/2-14
MP-08-06 0.500 2.743 1.248 7/8 1/2" 3/8-18
MP-08-08 0.500 2.995 1.495 7/8 1/2" 1/2-14
MP-08-12 0.500 2.995 1.500 1-1/8 1/2" 3/4-14
MP10-08 0.625 3.011 1.511 1-1/8 5/8" 1/2-14
MP-10-12 0.625 3.011 1.511 1-1/8 5/8" 3/4-14
MP-12-08 0.750 3.104 1.511 1-1/8 3/4" 1/2-14
MP-12-12 0.750 3.104 1.511 1-1/8 3/4" 3/4-14
MP-12-16 0.750 3.294 1.701 1-3/8 3/4" 1-11-1/2
MP-16-12 1.000 3.261 1.527 1-1/8 1.000" 3/4-14
MP-16-16 1.000 3.451 1.717 1-3/8 1.000" 1-11-1/2
MP-16-16 1.000 4.585 2.851 1-3/8 1.000" 1-11-1/2
MP-20-20 1.250 3.795 1.795 1-3/4 1-1/4" 1-1/4 11-1/2


Kurt Hydraulics

Kurt Hydraulics

Kurt Hydraulics has been a U.S. manufacturer of hydraulic couplings and
systems for over 35 years. We offer a full line of hydraulic couplings and a complete line of high quality hydraulic hose tested beyond SAE specifications. Kurt Hydraulics’ hose and couplings are sold through a comprehensive network of distributors in North America.

Shop Parts by Kurt Hydraulics