Skip to content
Login for the best B2B Wholesale Experience.
Login for the best B2B Wholesale Experience.

FJX90-05-04-R5 by Kurt Hydraulics | Jump Size | Female 37 Degree JIC | 90 Degree Bent Tube | Swivel | for 5/16" Hose ID

Save $2.05 Save $2.05
Original price $18.44
Original price $18.44 - Original price $18.44
Original price $18.44
Current price $16.39
$16.39 - $16.39
Current price $16.39
by Kurt Hydraulics
FJX90-R5 - 37 deg. JIC Female 90 deg. Bent Tube Swivel - R5 Couplings
Kurt Fittings and Hose should only be used together.
Specifications for Variant SKU: FJX90-05-04-R5 Kurt
Shape (Orientation): 90 Degree
Ends Configuration: 5/16in Hose Barb, 1/4in Female JIC
Special Properties: Swivel, Jump Size
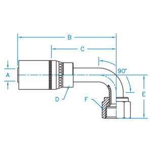
Part Number A B C D E F Hose ID
(In)
Thread
FJX90-03-04-R5 0.187 1.893 0.953 7/16 0.875 9/16 3/16" 7/16-20
FJX90-03-05-R5 0.187 N/A N/A N/A N/A N/A 3/16 1/2-20
For FJX90-04-04-R5 Use: FJX90-04-04
For FJX90-04-05-R6 Use: FJX90-04-05
For FJX90-04-06-R7 Use: FJX90-04-06
FJX90-05-04-R5 0.312 3.025 1.715 5/8 0.830 9/16 5/16" 7/16-20
FJX90-05-05-R5 N/A N/A N/A N/A N/A N/A N/A N/A
FJX90-05-06-R5 0.312 3.174 1.864 5/8 0.906 11/16 5/16" 9/16-18
FJX90-07-06-R5 0.437 3.334 1.864 3/4 0.906 11/16 7/16" 9/16-18
For FJX90-08-08-R5 Use: FJX90-08-08
For FJX90-08-10-R6 Use: FJX90-08-10
FJX90-07-08-R5 0.437 3.626 2.156 7/8 1.130 7/8 7/16" 3/4-16
FJX90-10-10-R5 N/A N/A N/A N/A N/A N/A N/A N/A
FJX90-10-12-R5 N/A N/A N/A N/A N/A N/A N/A N/A
FJX90-14-16-R5 0.875 4.750 2.312 1-1/2 2.500 1-1/2 7/8" 1-5/16-12

Kurt Hydraulics

Kurt Hydraulics

Kurt Hydraulics has been a U.S. manufacturer of hydraulic couplings and
systems for over 35 years. We offer a full line of hydraulic couplings and a complete line of high quality hydraulic hose tested beyond SAE specifications. Kurt Hydraulics’ hose and couplings are sold through a comprehensive network of distributors in North America.

Shop Parts by Kurt Hydraulics