Skip to content
Login for the best B2B Wholesale Experience.
Login for the best B2B Wholesale Experience.

57020-12-3/8 by AIGNEP | 57 Series | Male Metal Release Collet | 12mm Tube x 3/8" Male BSPP | Straight | Pack of 10

Save $16.91 Save $16.91
Original price $42.28
Original price $42.28 - Original price $42.28
Original price $42.28
Current price $25.37
$25.37 - $25.37
Current price $25.37

Package Quantity: 10 ea

Specifications for Variant SKU: 57020-12-3/8 AIGNEP | 10 |
Series: 57 Series
Shape (Orientation): Straight
Ends Configuration: 12mm Push-to-Connect, 3/8in Male BSPP
Material(s): Nickel-Plated Brass
Seal Material(s): Buna-N/Nitrile Rubber

Straight Male Metallic - BSPP

Pressure Rating: Vacuum-290 PSI
Temperature Range: 0-176° F
Tubing Compatibility: Nylon, Polyethylene, Polyurethane, Copper
Media: Compressed air, Vacuum, Water, Steam
Body: Nickel Plated Brass
Thread Seal: NBR
Thread Type: BSPP
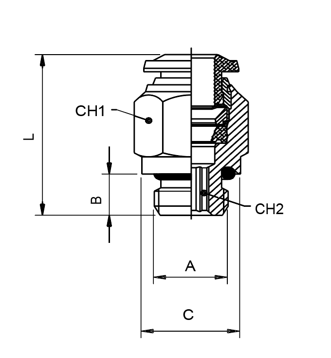
Product Number Tube A B C L CH1 CH2
57020-4-M5 4 mm M5 4 mm 8 mm 21 mm 10 mm 2 mm
57020-4-1/8 4 mm 1/8'' 6 mm 13 mm 20 mm 10 mm 3 mm
57020-4-1/4 4 mm 1/4'' 8 mm 16 mm 19.5 mm 16 mm 3 mm
57020-5-M5 5 mm M5 4 mm 8 mm 23.5 mm 12 mm 2 mm
57020-5-1/8 5 mm 1/8'' 6 mm 13 mm 22 mm 12 mm 4 mm
57020-6-M5 6 mm M5 4 mm 10 mm 24.5 mm 13 mm 2 mm
57020-6-1/8 6 mm 1/8'' 6 mm 13 mm 23.5 mm 13 mm 4 mm
57020-6-1/4 6 mm 1/4'' 8 mm 16 mm 23.5 mm 13 mm 4 mm
57020-6-3/8 6 mm 3/8'' 9 mm 20 mm 25 mm 13 mm 4 mm
57020-6-1/2 6 mm 1/2'' 10 mm 25 mm 27 mm 13 mm 4 mm
57020-6-M12X1 6 mm M12 x 1 8 mm 15 mm 23.5 mm 13 mm 4 mm
57020-6-M12X1.5 6 mm M12 x 1.5 8 mm 15 mm 23.5 mm 13 mm 4 mm
57020-8-1/8 8 mm 1/8'' 6 mm 13 mm 25 mm 14 mm 5 mm
57020-8-1/4 8 mm 1/4'' 8 mm 16 mm 23 mm 14 mm 6 mm
57020-8-3/8 8 mm 3/8'' 9 mm 20 mm 24 mm 14 mm 6 mm
57020-8-1/2 8 mm 1/2'' 10 mm 25 mm 26.5 mm 14 mm 6 mm
57020-8-M12X1.5 8 mm M12 x 1.5 8 mm 15 mm 27.5 mm 14 mm 6 mm
57020-10-1/4 10 mm 1/4'' 8 mm 16 mm 30.5 mm 17 mm 6 mm
57020-10-3/8 10 mm 3/8'' 9 mm 20 mm 27.5 mm 17 mm 8 mm
57020-10-1/2 10 mm 1/2'' 10 mm 25 mm 27 mm 17 mm 8 mm
57020-12-1/4 12 mm 1/4'' 8 mm 16 mm 34.5 mm 20 mm 6 mm
57020-12-3/8 12 mm 3/8'' 9 mm 20 mm 34 mm 20 mm 8 mm
57020-12-1/2 12 mm 1/2'' 10 mm 25 mm 31 mm 22 mm 10 mm
57020-14-3/8 14 mm 3/8'' 9 mm 20 mm 35 mm 21 mm 10 mm
57020-14-1/2 14 mm 1/2'' 10 mm 25 mm 32 mm 22 mm 11 mm
AIGNEP

AIGNEP

For over 40 years, AIGNEP has been a leading manufacturer of compressed air and industrial fluid fittings. Our products are widely known for their high quality and Italian design: pneumatic cylinders and solenoid valves, fluid process control valves “FLUIDITY”, compressed air pipeline “INFINITY”, fittings and quick couplings for every fluid media.

Shop Parts by AIGNEP